


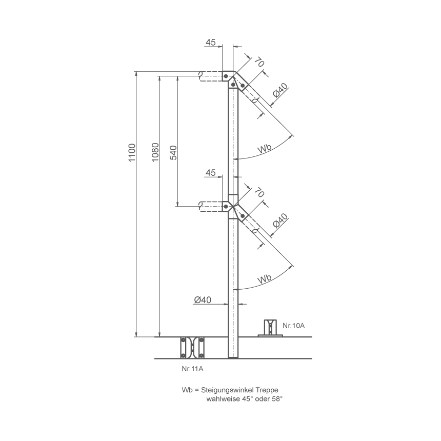
Dieser vormontierte Geländerpfosten besteht aus Rohrverbindern und einem mechanisch bearbeiteten Aluminiumrohr als fertige Baugruppe. Eingesetzt wird der Treppenanschlusspfosten am Übergang von der Treppe zum Laufsteg.


Dieser vormontierte Geländerpfosten besteht aus Rohrverbindern und einem mechanisch bearbeiteten Aluminiumrohr als fertige Baugruppe. Eingesetzt wird der Treppenmittelpfosten im Verlauf der Treppe.


Dieser vormontierte Geländerpfosten besteht aus Rohrverbindern und einem mechanisch bearbeiteten Aluminiumrohr als fertige Baugruppe. Eingesetzt wird der Treppenanfangspfosten am Anfang der Treppe.


Dieser vormontierte Geländerpfosten besteht aus Rohrverbindern und einem mechanisch bearbeiteten Aluminiumrohr als fertige Baugruppe. Eingesetzt wird der Treppenabschlusspfosten am Ende der Treppe.


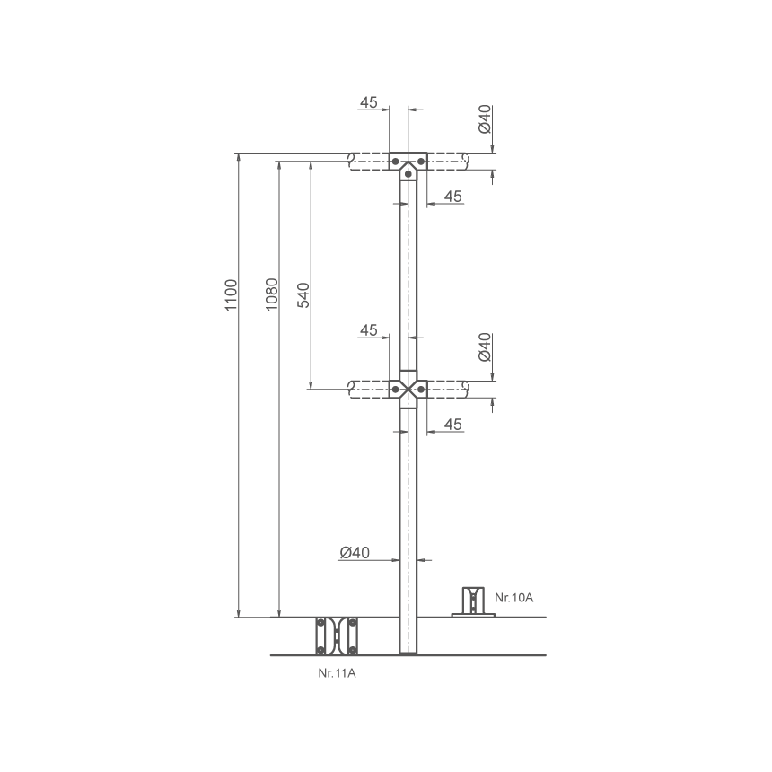
Dieser vormontierte Geländerpfosten besteht aus Rohrverbindern und einem mechanisch bearbeiteten Aluminiumrohr als fertige Baugruppe. Eingesetzt wird der Mittelpfosten im Verlauf des Geländers.


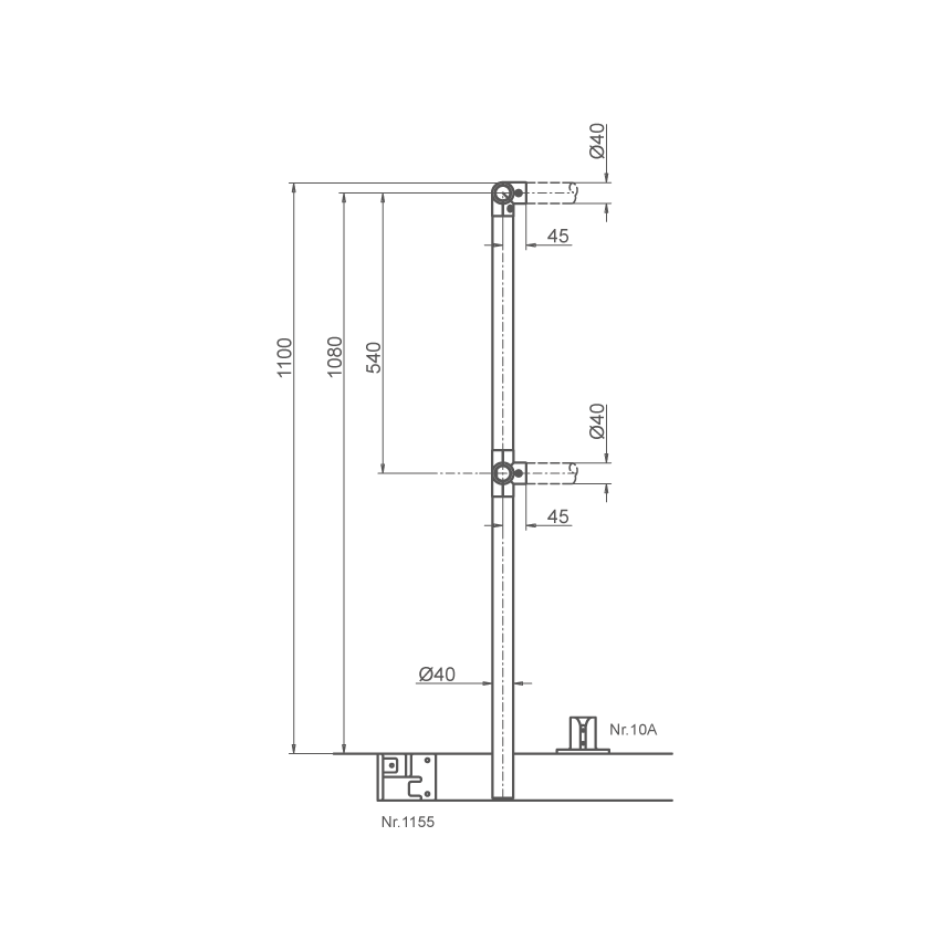
Dieser vormontierte Geländerpfosten besteht aus Rohrverbindern und einem mechanisch bearbeiteten Aluminiumrohr als fertige Baugruppe. Eingesetzt wird der Endpfosten am Ende des Geländers.


Dieser vormontierte Geländerpfosten besteht aus Rohrverbindern und einem mechanisch bearbeiteten Aluminiumrohr als fertige Baugruppe. Eingesetzt wird der Eckpfosten an einer 90° Ecke des Geländers.
Diese vormontierte Geländer-Querstange besteht aus einem mechanisch bearbeiteten Aluminiumrohr und zwei eingesetzten Adaptern als fertige Baugruppe. Eingesetzt wir der Handlauf und die Knieleiste als Querverbindung zwischen den einzelnen Pfosten.


Dieser vormontierte Geländerpfosten besteht aus Rohrverbindern und einem mechanisch bearbeiteten Aluminiumrohr als fertige Baugruppe. Eingesetzt wird der Treppenanschlusspfosten am Übergang von der Treppe zum Laufsteg.


Dieser vormontierte Geländerpfosten besteht aus Rohrverbindern und einem mechanisch bearbeiteten Aluminiumrohr als fertige Baugruppe. Eingesetzt wird der Treppenmittelpfosten im Verlauf der Treppe.


Dieser vormontierte Geländerpfosten besteht aus Rohrverbindern und einem mechanisch bearbeiteten Aluminiumrohr als fertige Baugruppe. Eingesetzt wird der Treppenanfangspfosten am Anfang der Treppe.


Dieser vormontierte Geländerpfosten besteht aus Rohrverbindern und einem mechanisch bearbeiteten Aluminiumrohr als fertige Baugruppe. Eingesetzt wird der Treppenabschlusspfosten am Ende der Treppe.


Dieser vormontierte Geländerpfosten besteht aus Rohrverbindern und einem mechanisch bearbeiteten Aluminiumrohr als fertige Baugruppe. Eingesetzt wird der Mittelpfosten im Verlauf des Geländers.


Dieser vormontierte Geländerpfosten besteht aus Rohrverbindern und einem mechanisch bearbeiteten Aluminiumrohr als fertige Baugruppe. Eingesetzt wird der Endpfosten am Ende des Geländers.


Dieser vormontierte Geländerpfosten besteht aus Rohrverbindern und einem mechanisch bearbeiteten Aluminiumrohr als fertige Baugruppe. Eingesetzt wird der Eckpfosten an einer 90° Ecke des Geländers.
Diese vormontierte Geländer-Querstange besteht aus einem mechanisch bearbeiteten Aluminiumrohr und zwei eingesetzten Adaptern als fertige Baugruppe. Eingesetzt wir der Handlauf und die Knieleiste als Querverbindung zwischen den einzelnen Pfosten.