Skip to main content Skip to search Skip to main navigation
Menu

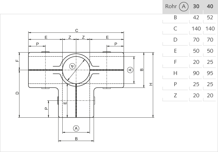
61 | T-Connector

Colour: Light grey Diameter: Ø 30
The tube connector connects four tubes, each at a 90° angle. By clamping three half shells, three tube ends and one continuous tube are joined together to form a corner. The three tube ends are drilled with Ø 9.0 mm.

Description

Product information "61 | T-Connector"

Our universal tube connectors are made of high quality aluminium alloys in accordance with DIN EN 1706. We manufacture them for tube diameters of 30, 40 and 60 mm. We also manufacture special pipe connectors or other diameters upon request.

If desired, we can also supply all of the connectors with a polished, brushed or coated surface and V2A screw connections.

The universal pipe connectors offer a wide range of uses.

All-in-one system solutions

We don’t leave you to fend for yourself. In addition to supplying the tubing and connectors, our service includes consulting and a drawing if you wish, so that the assembly can be carried out quickly and easily. We would also be happy to provide you with pre-assembled components.

+49 2371 8080-0

We’re here ready to answer any questions about our universal-tubular-fittings.

Properties

Connection type: T-Connector
Material: Aluminium alloys according to DIN EN 1706
Tube connector: Universal